- Производитель: MELODIA
- Гарантия: сервисные центры
- Артикул: MDV32541
- Наличие:
доступен к заказу
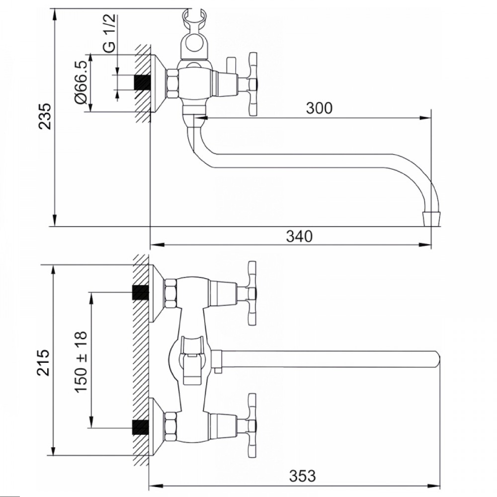
Смеситель для ванны MELODIA Cross MDV32541 представляет собой классическую двухвентильную водоразборную арматуру, востребованную благодаря привычному управлению и высокой ремонтопригодности. Отличительной чертой устройства являются пластиковые маховики типа "крест", обеспечивающие надежный хват даже влажными руками.
Основа крана выполнена из сантехнической латуни с защитным хромированным покрытием. Управление потоками осуществляется через керамические кран-буксы (картриджи 25 мм), которые характеризуются плавным ходом вполоборота. За переключение между длинным S-образным изливом (300 мм) и душевой лейкой отвечает встроенный керамический дивертор.
Этот сантехнический прибор идеально подходит для ретро-интерьеров и санузлов в классическом стиле. Наличие полного монтажного комплекта, включая душевой шланг из нержавеющей стали и настенный держатель, делает устройство готовым к немедленной установке.
Преимущества:
- ✓ Классическое двухвентильное управление потоками воды
- ✓ Долговечные керамические кран-буксы (25 мм) с плавным поворотом
- ✓ Керамический дивертор для четкого переключения режимов душа
- ✓ Удлиненный S-образный излив (300 мм) для удобного использования
- ✓ Антикоррозионный латунный корпус с глянцевым хромированием
Характеристики:
- ✓ Тип управления: двухвентильный (маховики-кресты)
- ✓ Механизм запирания: керамическая кран-букса 25 мм
- ✓ Переключатель на душ: керамический
- ✓ Тип излива: длинный, поворотный (300 мм)
- ✓ Материал корпуса: латунь
Установка и подключение:
- ✓ Монтаж: на стену
- ✓ Размер резьбы для подключения: 1/2 дюйма
- ✓ Расстояние по центрам труб: 150 мм
- ✓ Тип подводки: жесткая через эксцентрики
Комплектация:
- ✓ Смеситель двухзахватный
- ✓ Душевая лейка (1 режим)
- ✓ Гибкий шланг 1,5 м в оплетке из нержавеющей стали
- ✓ Настенный держатель для лейки
- ✓ Эксцентрики и декоративные чашки
Частые вопросы (FAQ)
Что означает керамический дивертор?
Из чего сделаны маховики (ручки)?
Нет отзывов о данном товаре.
